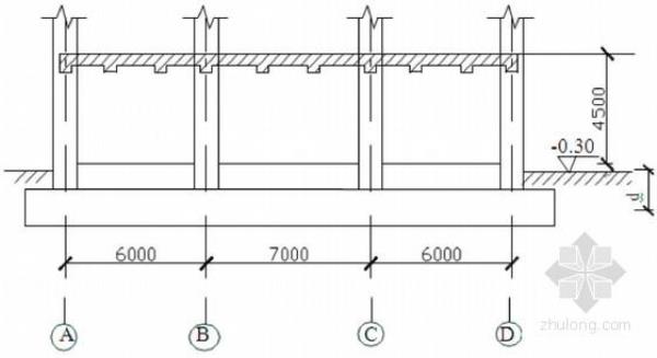
设计草图的各部位尺寸,是按照实物比例缩小或放大的图纸。
实际尺寸,即实物的实际尺寸。
实际尺寸图是设计图纸上标注了实际尺寸的图纸,这个图纸上必须在明显位置注明比例关系。如平面图长宽实际尺寸是10 * 6米,图纸上长宽是0.5 * 0.3米,图纸尺寸是实物的二十分之一,即同比例缩小20倍,要标明1:20。
原创 | 2023-01-08 19:09:21 |浏览:1.6万
设计草图的各部位尺寸,是按照实物比例缩小或放大的图纸。
实际尺寸,即实物的实际尺寸。
实际尺寸图是设计图纸上标注了实际尺寸的图纸,这个图纸上必须在明显位置注明比例关系。如平面图长宽实际尺寸是10 * 6米,图纸上长宽是0.5 * 0.3米,图纸尺寸是实物的二十分之一,即同比例缩小20倍,要标明1:20。
Copyright 2005-2020 www.kxting.com 版权所有 |
湘ICP备2023022655号
声明: 本站所有内容均只可用于学习参考,信息与图片素材来源于互联网,如内容侵权与违规,请与本站联系,将在三个工作日内处理,联系邮箱:47085,1089@qq.com